অ্যাপ তাপমাত্রা আবদ্ধ তালিকা

উপাদান মাঝারি তাপমাত্রা ℃ উপাদান মাঝারি তাপমাত্রা ℃
পিভিসি-সি -20℃~95℃ পিভিসি-ইউ -5℃~ 45℃
এফআরপিপি -20℃~120℃ পিপিএইচ -20℃~110℃
পিভিডিএফ 40℃~150℃

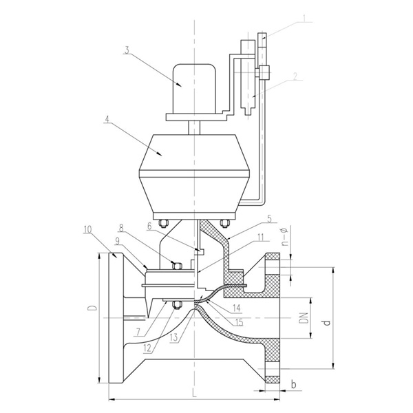
পণ্য কাঠামোগত বৈশিষ্ট্য

1. সিলিং ডায়াফ্রাম F46 বা PFA দিয়ে তৈরি, ≥ 120,000 গুণের ভাঁজ সহ্য এবং F4 এর সাথে তুলনীয় জারা প্রতিরোধের সাথে।
2. স্ক্রু-টাইপ উত্তোলন প্রক্রিয়া কম খোলার এবং বন্ধ ঘূর্ণন সঁচারক বল এবং চমৎকার স্থিতিশীলতা প্রদান করে।
3. অ্যাকচুয়েটরকে কম্পিউটার বা নিয়ন্ত্রণ কেন্দ্রের মাধ্যমে দূরবর্তীভাবে নিয়ন্ত্রণ করা যায়, ভালভ খোলা এবং বন্ধ করে মাধ্যমের প্রবাহ এবং প্রবাহ নিয়ন্ত্রণ করা যায়। এটি বৃহত্তর সুবিধা এবং গতি প্রদান করে, শ্রমের খরচ কমায় এবং সাইটের কর্মীদের নিরাপত্তা নিশ্চিত করে।

অংশ উপাদান টেবিল

না. নাম উপাদান পরিমাণ
1 সোলেনয়েড ভালভ 1
2 চাপ পরিমাপক 1
3 সিগন্যাল ফিডব্যাক ডিভাইস 1
4 বায়ুসংক্রান্ত অ্যাকুয়েটর অ্যালুমিনিয়াম খাদ 1
5 বনেট পিপিএইচ、PVC-C、PVC-U、PVDF、FRPP 1
6 জোয়াল বাদাম এসএস স্টিল, ইস্পাত 1
7 প্ল্যাটেন Q345, SS ইস্পাত 2
8 স্ক্রু ইস্পাত,StainlessSteel 4
9 প্ল্যাটেন Q345, SS ইস্পাত 2
10 শরীর পিপিএইচ、PVC-C、PVC-U、PVDF、FRPP 1
11 কান্ড ইস্পাত,StainlessSteel 1
12 বাদাম ক্যাপ ইস্পাত,StainlessSteel 4
13 ভালভ প্লেট পিপিএইচ,PVC-C,PVC-U
এফআরপিপি,PVDF/Cast iron
1
14 ফ্লিম ইপিডিএম, এফপিএম 1
15 ডায়াফ্রাম F46.PFA.PTFE 1
মাত্রা তালিকা

D d এল n-Φ
15 95 65 125 14 4-Φ14
20 105 75 135 18 4-Φ14
25 115 85 145 18 4-Φ14
32 135 100 160 18 4-Φ18
40 145 110 180 20 4-Φ18
50 160 125 210 22 4-Φ18
65 180 145 250 24 4-Φ18
80 195 160 300 24 8-Φ18
100 225 180 350 28 8-Φ18
125 245 210 400 30 8-Φ18
150 280 240 455 30 8-Φ23x27
200 335 295 570 40 8-Φ22
250 390 350 680 38 12-Φ23
300 445 400 680 38 12- Φ 23
বার্তা প্রতিক্রিয়া
আমাদের সম্পর্কে
Kaixin Pipeline Technologies Co., Ltd.
1999 সালে প্রতিষ্ঠিত, Kaixin Pipeline Technologies Co., Ltd. R&D, উত্পাদন, বিক্রয় এবং পরিষেবাকে একীভূত করে একটি উচ্চ-প্রযুক্তি সংস্থা। কোম্পানিটি ন্যাশনাল হাই-টেক এন্টারপ্রাইজ, "লিটল জায়ান্ট" বিশেষায়িত এবং অত্যাধুনিক এসএমই, জাতীয় একক পণ্য চ্যাম্পিয়ন (চাষ), প্রাদেশিক প্রযুক্তি-ভিত্তিক এসএমই, নিংবো বিশেষায়িত এবং অত্যাধুনিক এসএমই, নিংবো সিঙ্গল প্রোডাক্ট চ্যাম্পিয়ন (চাষ), নিংবেল ডিস্ট্রিক্ট, পিআইএন্ড টেকনোলজি, পিআইএন্ড ডিস্ট্রিক্ট এবং পলি সেন্টার সহ একাধিক মর্যাদাপূর্ণ সার্টিফিকেশন ধারণ করে। ফ্যাক্টরি, নিংবো ফোর-স্টার ম্যানেজমেন্ট ইনোভেশন এন্টারপ্রাইজ, এবং এন্টারপ্রাইজ ডেটা ম্যানেজমেন্ট ক্যাপাবিলিটি ম্যাচিউরিটি লেভেল 2।
আমরা প্লাস্টিকের ভালভ, পাইপ, পাইপ ফিটিং এবং জারা-প্রতিরোধী পাম্প সহ রাসায়নিক অ্যাপ্লিকেশনগুলির জন্য অ ধাতব জারা-প্রতিরোধী পণ্যগুলি বিকাশ, উত্পাদন এবং সরবরাহে বিশেষজ্ঞ। আমাদের পণ্যের পোর্টফোলিও পিভিসি-সি, পিভিসি-ইউ, পিভিডিএফ, পিপিএইচ এবং এফআরপিপি-এর মতো উপকরণগুলিকে বিস্তৃত করে, যার একটি বিস্তৃত পরিসর এবং বৈশিষ্ট্য রয়েছে। উল্লেখযোগ্যভাবে, আমাদের প্রজাপতি ভালভ ব্যাস DN1000 এ পৌঁছাতে পারে, যখন পাইপ এবং ফিটিংস DN800 পর্যন্ত প্রসারিত হয়, বাজারের ব্যবধান পূরণ করে এবং শিল্পে আমাদের প্রতিযোগিতামূলক প্রান্ত বজায় রাখে।
"প্রযুক্তি-চালিত, সময়ের সাথে তাল মিলিয়ে চলা" নীতির দ্বারা পরিচালিত কাইক্সিন R&D-এর জন্য বার্ষিক প্রায় RMB 10 মিলিয়ন বরাদ্দ করে৷ আমরা মানসম্মত স্বয়ংক্রিয় উত্পাদন এবং আমদানি করা কাঁচামালের কঠোর সোর্সিংয়ের মাধ্যমে উচ্চতর পণ্যের গুণমান নিশ্চিত করি। আমাদের আন্তর্জাতিক উন্নয়ন কৌশলের সাথে সামঞ্জস্য রেখে, আমরা ক্রমাগত বিশ্বব্যাপী বাজারের প্রবণতা নিরীক্ষণ করি এবং বিশ্বব্যাপী গ্রাহকদের কাছে উচ্চ-মানের "মেড ইন চায়না" পণ্য আনতে ডিজিটাল চ্যানেলগুলিকে লিভারেজ করি।
Ningbo • Fenghua R&D & উৎপাদন বেস
RMB 200 মিলিয়নের মোট বিনিয়োগের সাথে, Kaixin Ultra-Pure Pipe Technology (Ningbo) Co., Ltd. বিশ্ববিদ্যালয় এবং গবেষণা প্রতিষ্ঠানের সহযোগিতায় একটি নতুন উপকরণ পরীক্ষাগার স্থাপন করেছে, একটি আধুনিক উত্পাদন ভিত্তি তৈরি করেছে এবং পরিবর্তিত প্লাস্টিকের জন্য 8টি সম্পূর্ণ স্বয়ংক্রিয় উত্পাদন লাইন এবং 8টি পলিমার সামগ্রীর জন্য ইনস্টল করেছে৷ এই সুবিধাটি নতুন পরিবর্তিত প্লাস্টিক এবং পলিমার সামগ্রীর গবেষণা ও উন্নয়ন, উৎপাদন এবং প্রয়োগের জন্য নিবেদিত। কাইক্সিন গবেষণা ও উন্নয়ন এবং পলিমার ভালভ, পাইপ এবং ফিটিংস তৈরিতে বিশ্বব্যাপী স্বীকৃত নেতা হয়ে ওঠার লক্ষ্যে পণ্যের উদ্ভাবন এবং ব্র্যান্ডের বিকাশকে ক্রমাগতভাবে চালনা করে, বিভিন্ন বিষয়ে শীর্ষ প্রতিভা আকর্ষণ করতে প্রতিশ্রুতিবদ্ধ।
সম্মানের শংসাপত্র
  • honor
  • honor
  • honor
  • honor
  • honor
  • honor
  • honor
  • honor
  • honor
খবর