PVC-C রিডুসার DN15*20-600*500 1/2*3/4"-24*20" ANSI

রাসায়নিক এবং জল সরবরাহের জন্য PVC-C PVC পাইপ ফিটিং DN1520-600500 শিল্প প্লাস্টিক রিডুসার আনুষাঙ্গিক, ANSI SCH80 স্ট্যান্ডার্ড
আপনি: চীন
ব্র্যান্ডের নাম: KXPV
প্রক্রিয়া: নকল
সংযোগ: সকেট
উপাদান: পিভিসি-সি
রঙ: নীল ধূসর
আকৃতি:
হেড ডিসি: গোলাকার
অনুদান: DN15*20-600*500
আবেদন: শিল্প
প্যাকেজিং: শক্ত
শক্তি শক্তি: 1.6 MPa
ডেলিভারি সময়: 7 দিন
নূনতম অংশের সুবিধা: 1 পিস

অ্যাপ ব্যবহার আবদ্ধ
উপাদান মাঝারি শব্দ ℃ উপাদান মাঝারি শব্দ ℃
পিভিসি-সি -20℃~95℃ পিভিসি-ইউ -5℃~ 45℃
এফআরপিপি -20℃~120℃ পিপিএইচ -20℃~110℃
পিভিডিএফ 40℃~150℃

পণ্য স্থানগত বৈশিষ্ট্য

1. হালকা পর্যন্ত রাসায়নিক প্রতিরোধের: অভ্যন্তরীণ পরিসীমা -20℃ থেকে 9 বিস্তৃত। মাঝারি আয়ন সামগ্রী অতি-বিশুদ্ধ জলের মান পূরণ করে। আইনবিধি কর্ম স্যানিটেশন মান সক্ষমতা অর্জন করবে।
2. অসমান্য, দৃঢ়তা, এবং রাসায়নিক জারা শক্তির উপাদান: উচ্চতর এবং রাসায় জারা প্রতিবাদের প্রস্তাব।
3. স্থিতিস্থাপক: বার্ধক্য প্রতিরোধ এবং UV শক্তি প্রতিরোধ অন্যান্য পাইপিং এর ক্ষেত্রে ব্যতিক্রম জীবনকাল প্রসারিত।
4. নিম্ন তাপ পরিবাহিতা: তাপ পরিবাহিতা প্রায় 1/200 ইস্পাত; শিখা প্রতিবন্ধী বৈশিষ্ট্য স্ব-নির্বাপক হয়।
5. লাইটওয়েট: মাত্র 1/5 ইস্পাত পাইপ এবং 1/6 তামার পাই চেষ্টা।
6. নিম্ন বন্ধ, উচ্চ প্রবাহ হার: মসৃণ এবং পরিষ্কার পাইপ প্রাচীর তরল অংশগ্রহণের সময় নূনতম ঘর্ষণ এবং আনুগত্যের ফলাফল।
7. সহজ ইনস্টলেশন, কম খরচ: বন্ধ, থ্রেডিং ব্যবহার করে সহজ করা যেতে পারে, এবং সবচেয়ে আঠালো, একটি মূল্য-কারকর এবং ব্যবহারকারী-বন্ধন প্রদান করা।

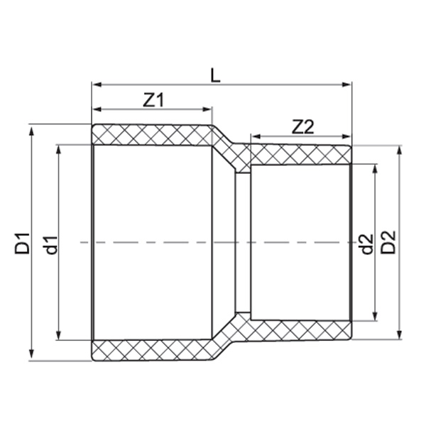
অঙ্কন

স্পেসিফিকেশন D1
(মিমি)
D2
(মিমি)
d1
(মিমি)
d2
(মিমি)
এল
(মিমি)
Z1
(মিমি)
Z2
(মিমি)
2″*1″ (50*25) 74 45 60.32 33.4 87 38.5 29
2″*1¼″ (50*32) 74 54.5 60.32 42.16 86 38.5 32
2″*1½″ (50*40) 74 61 60.32 48.26 86 38.5 35
2½″*1¼″(65*32) 90 54.5 73.02 42.16 98.5 45 32
2½″*1½″ (65*40) 90 61 73.02 48.26 98.5 45 35
2½″*2″ (65*50) 90 74 73.02 60.32 97 45 38.5
3″*1½″ (80*40) 107 61 88.9 48.26 109.5 48 35
3″*2″ (80*50) 107 74 88.9 60.32 107.5 48 38.5
3″*2½″ (80*65) 107 90 88.9 73.02 109 48 45
4″*2″ (100*50) 134 74 114.3 60.32 129.5 57.5 38.5
4″*2½″ (100*65) 134 90 114.3 73.02 131 57.5 45
4″*3″ (100*80) 134 107 114.3 88.9 127 57.5 48
5″*2½″ (125*65) 163 90 141.3 73.02 154.5 67 45
5″*3″ (125*80) 163 107 141.3 88.9 150 67 48
5″*4″ (125*100) 163 134 141.3 114.3 146.5 67 57.5
6″*3″ (150*80) 192 107 168.28 88.9 173 76.5 48
6″*4″ (150*100) 192 134 168.28 114.3 170 76.5 57.5
6″*5″ (150*125) 192 163 168.28 141.3 167 76.5 67
8″*4″ (200*100) 247 134 219.08 114.3 221 102 57.5
8″*5″ (200*125) 247 163 219.08 141.3 218 102 67
8″*6″(200*150) 247 192 219.08 168.28 215 102 76.5
বার্তা প্রতিক্রিয়া
আমাদের সম্পর্কে
Kaixin Pipeline Technologies Co., Ltd.
1999 সালে প্রতিষ্ঠিত, Kaixin Pipeline Technologies Co., Ltd. R&D, উত্পাদন, বিক্রয় এবং পরিষেবাকে একীভূত করে একটি উচ্চ-প্রযুক্তি সংস্থা। কোম্পানিটি ন্যাশনাল হাই-টেক এন্টারপ্রাইজ, "লিটল জায়ান্ট" বিশেষায়িত এবং অত্যাধুনিক এসএমই, জাতীয় একক পণ্য চ্যাম্পিয়ন (চাষ), প্রাদেশিক প্রযুক্তি-ভিত্তিক এসএমই, নিংবো বিশেষায়িত এবং অত্যাধুনিক এসএমই, নিংবো সিঙ্গল প্রোডাক্ট চ্যাম্পিয়ন (চাষ), নিংবেল ডিস্ট্রিক্ট, পিআইএন্ড টেকনোলজি, পিআইএন্ড ডিস্ট্রিক্ট এবং পলি সেন্টার সহ একাধিক মর্যাদাপূর্ণ সার্টিফিকেশন ধারণ করে। ফ্যাক্টরি, নিংবো ফোর-স্টার ম্যানেজমেন্ট ইনোভেশন এন্টারপ্রাইজ, এবং এন্টারপ্রাইজ ডেটা ম্যানেজমেন্ট ক্যাপাবিলিটি ম্যাচিউরিটি লেভেল 2।
আমরা প্লাস্টিকের ভালভ, পাইপ, পাইপ ফিটিং এবং জারা-প্রতিরোধী পাম্প সহ রাসায়নিক অ্যাপ্লিকেশনগুলির জন্য অ ধাতব জারা-প্রতিরোধী পণ্যগুলি বিকাশ, উত্পাদন এবং সরবরাহে বিশেষজ্ঞ। আমাদের পণ্যের পোর্টফোলিও পিভিসি-সি, পিভিসি-ইউ, পিভিডিএফ, পিপিএইচ এবং এফআরপিপি-এর মতো উপকরণগুলিকে বিস্তৃত করে, যার একটি বিস্তৃত পরিসর এবং বৈশিষ্ট্য রয়েছে। উল্লেখযোগ্যভাবে, আমাদের প্রজাপতি ভালভ ব্যাস DN1000 এ পৌঁছাতে পারে, যখন পাইপ এবং ফিটিংস DN800 পর্যন্ত প্রসারিত হয়, বাজারের ব্যবধান পূরণ করে এবং শিল্পে আমাদের প্রতিযোগিতামূলক প্রান্ত বজায় রাখে।
"প্রযুক্তি-চালিত, সময়ের সাথে তাল মিলিয়ে চলা" নীতির দ্বারা পরিচালিত কাইক্সিন R&D-এর জন্য বার্ষিক প্রায় RMB 10 মিলিয়ন বরাদ্দ করে৷ আমরা মানসম্মত স্বয়ংক্রিয় উত্পাদন এবং আমদানি করা কাঁচামালের কঠোর সোর্সিংয়ের মাধ্যমে উচ্চতর পণ্যের গুণমান নিশ্চিত করি। আমাদের আন্তর্জাতিক উন্নয়ন কৌশলের সাথে সামঞ্জস্য রেখে, আমরা ক্রমাগত বিশ্বব্যাপী বাজারের প্রবণতা নিরীক্ষণ করি এবং বিশ্বব্যাপী গ্রাহকদের কাছে উচ্চ-মানের "মেড ইন চায়না" পণ্য আনতে ডিজিটাল চ্যানেলগুলিকে লিভারেজ করি।
Ningbo • Fenghua R&D & উৎপাদন বেস
RMB 200 মিলিয়নের মোট বিনিয়োগের সাথে, Kaixin Ultra-Pure Pipe Technology (Ningbo) Co., Ltd. বিশ্ববিদ্যালয় এবং গবেষণা প্রতিষ্ঠানের সহযোগিতায় একটি নতুন উপকরণ পরীক্ষাগার স্থাপন করেছে, একটি আধুনিক উত্পাদন ভিত্তি তৈরি করেছে এবং পরিবর্তিত প্লাস্টিকের জন্য 8টি সম্পূর্ণ স্বয়ংক্রিয় উত্পাদন লাইন এবং 8টি পলিমার সামগ্রীর জন্য ইনস্টল করেছে৷ এই সুবিধাটি নতুন পরিবর্তিত প্লাস্টিক এবং পলিমার সামগ্রীর গবেষণা ও উন্নয়ন, উৎপাদন এবং প্রয়োগের জন্য নিবেদিত। কাইক্সিন গবেষণা ও উন্নয়ন এবং পলিমার ভালভ, পাইপ এবং ফিটিংস তৈরিতে বিশ্বব্যাপী স্বীকৃত নেতা হয়ে ওঠার লক্ষ্যে পণ্যের উদ্ভাবন এবং ব্র্যান্ডের বিকাশকে ক্রমাগতভাবে চালনা করে, বিভিন্ন বিষয়ে শীর্ষ প্রতিভা আকর্ষণ করতে প্রতিশ্রুতিবদ্ধ।
সম্মানের শংসাপত্র
  • honor
  • honor
  • honor
  • honor
  • honor
  • honor
  • honor
  • honor
  • honor
খবর